气源处理组合元件
  ·QAC系列气源处理组合元件
  ·QPC型气源处理组合元件
  ·X型气源处理组合元件
  ·XQ-VB系列倍压增压阀
气缸
  ·薄型气缸
  ·特种气缸
  ·标准气缸
  ·普通气缸
气液缸
  ·气液阻尼缸
  ·气—油转换缸
  ·气液增压缸
气动换向阀
  ·电控换向阀
  ·气控换向阀
  ·成组换向阀
  ·机控换向阀
  ·人控换向阀
  ·小型换向阀
气动辅件
  ·单向节流阀
  ·磁性开关
  ·快插式接头
  ·管道排气阀
  ·单向阀
  ·梭阀
  ·快速排气阀
  ·节流阀
  ·压力开关
  ·接线插座
  ·电磁线圈
  ·消声器
  · 气喷枪
  ·气管
  ·真空发生器
  ·快插式单向节流阀
最新产品
  ·气源处理组合元件
  ·气缸
  ·气液缸
  ·气动换向阀
  ·气动辅件
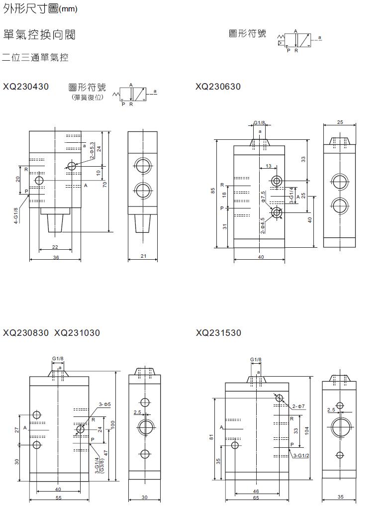
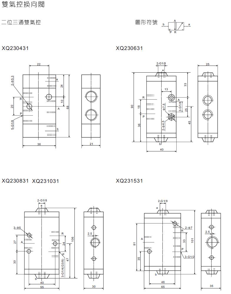
XQ系列 二位三通/五通、三位五通气控换向阀

COPYRIGHT2002 上海新益气动元件有限公司版权所有 不得翻录
公司地址:上海市青浦区纪鹤公路2228号 邮编:201708 沪ICP备13034089号

沪公网安备 31011802002424号